
表面温度传感TO-220AC系列热敏电阻探头
这是一款采用标准TO-220AC封装的热敏电阻探头,专为精确测量散热器或金属表面温度而设计。它具备宽工作温度范围、高绝缘耐压和优异的可靠性,适用于对温度监测有严格要求的电力电子和新能源应用场景。
下载规格书 PDF产品特点 / Product Features
- ◆ 符合AEC-Q200 Rev-C要求
- ◆ 宽工作温度范围:-40°C 至 +200°C
- ◆ 高绝缘耐压:≥4000Vac
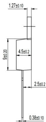
- ◆ 采用标准TO-220AC封装,便于安装固定
- ◆ 满足RoHS与无卤环保要求
- ◆ 支持定制不同阻值及精度
技术参数 / Technical Specification
| 参数 | 规格 |
|---|---|
| 封装 | TO-220AC |
| 零功率电阻 @ 25°C | 10KΩ |
| R25精度 (±%) | 1%, 5% (可选) |
| B值 | 3950(25/50), 3435(25/85) (可选) |
| B值精度 (±%) | 1%, 5% (可选) |
| 工作温度范围 | -40°C 至 +200°C |








