
ISB-TS45D 红外热电堆传感器
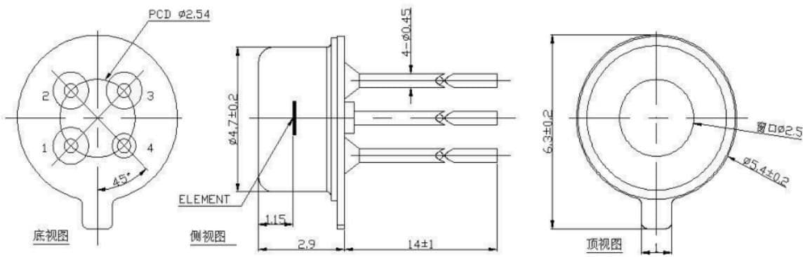
ISB-TS45D是一款用于非接触式温度测量的热电堆红外传感器。产品采用TO-46金属封装,内部集成红外滤光片和高灵敏度NTC热敏电阻,具有高可靠性、高灵敏度及快速响应的特点,适用于医疗及工业领域的温度监测。
下载规格书 PDF产品特点 / Product Features
- ◆ 非接触温度测量
- ◆ 高灵敏度NTC热敏电阻补偿
- ◆ TO-46金属封装,高可靠性
- ◆ 快速响应时间
- ◆ 内置长波通滤光片
- ◆ 适用于耳温计、额温计及工业温度控制
技术参数 / Technical Specification
| 参数 | 规格 |
|---|---|
| 型号 | ISB-TS45D |
| 封装 | TO-46 |
| 灵敏区域 | 1.1 x 1.1 mm² |
| 探测角度 | 90° |
| 热电堆电阻 (典型值) | 120 kΩ @ 25°C |
| 噪声电压 | 45 nV/√Hz @ 25°C |
| 响应度 | 124 V/W @ 500K黑体, 1Hz, 25°C |
| 时间常数 | 10 ms |
| NTC阻值 (25°C) | 100 kΩ ±3% |
| NTC β值 (25/50°C) | 3950 K ±1% |
| 工作温度 | -30°C ~ +85°C |
| 储存温度 | -30°C ~ +100°C |











