
产品特点 / Product Features
- ◆ 高灵敏度霍尔电压输出
- ◆ 宽工作温度范围(-40°C 至 110°C)
- ◆ 输入与输出电阻对称,便于电路设计
- ◆ 低偏移电压,提高测量精度
技术参数 / Technical Specification
| 参数 | 条件 | 最小值 | 典型值 | 最大值 | 单位 |
|---|---|---|---|---|---|
| 绝对最大额定值 | |||||
| 最大输入电压 (Vc) | Ta=25°C | - | - | 5 | V |
| 最大输入功率 (PD) | Ta=25°C | - | - | 25 | mW |
| 工作温度范围 (Topr) | - | -40 | - | 110 | °C |
| 储存温度范围 (TSTG) | - | -40 | - | 125 | °C |
| 电气特性 (Ta=25°C) | |||||
| 输出霍尔电压 (VH*) | B=50mT, Vc=1V | 196 | - | 370 | mV |
| 输入电阻 (Rin) | B=0mT, Ic=0.1mA | 240 | - | 550 | Ω |
| 输出电阻 (ROUT) | B=0mT, Ic=0.1mA | 240 | - | 550 | Ω |
| 偏移电压 (Vos) | B=0mT, Vc=1V | -7 | - | +7 | mV |
| VH温度系数 (αVH*) | B=50mT, Ic=1mA, Ta=0~40°C | - | 1.8 | - | %/°C |
| Rin温度系数 (αRin*) | B=50mT, Ic=5mA, Ta=0~40°C | - | -1.8 | - | %/°C |
| 线性度 (ΔK*) | B=0.1/0.5T, Ic=5mA | - | - | 0.5 | % |












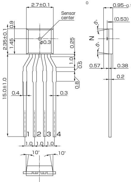
产品三视图




