
砷化镓霍尔元件
一款基于砷化镓(GaAs)材料的高性能霍尔效应传感器元件。它利用霍尔效应,将磁场强度转换为成比例的电压信号,具有出色的温度稳定性和线性度,适用于广泛的工业和消费电子应用,如位置检测、电流传感和转速测量。
下载规格书 PDF产品特点 / Product Features
- ◆ 基于砷化镓材料,性能稳定可靠
- ◆ 宽工作温度范围(-40°C 至 +125°C)
- ◆ 出色的输出电压线性度和低温度系数
- ◆ 输入/输出电阻对称,便于电路设计
技术参数 / Technical Specification
| 参数 | 条件 | 最小值 | 典型值 | 最大值 | 单位 |
|---|---|---|---|---|---|
| 绝对最大额定值 | |||||
| 最大输入电压 (Vc) | Ta=25°C | - | - | 5 | V |
| 最大输入功率 (PD) | Ta=25°C | - | - | 25 | mW |
| 工作温度范围 (Topr) | - | -40 | - | +125 | °C |
| 存储温度范围 (TSTG) | - | -45 | - | +150 | °C |
| 电气特性 (Ta=25°C) | |||||
| 输出霍尔电压 (VH) | B=50mT, Ic=5mA | 36 | 45 | 54 | mV |
| 输入电阻 (Rin) | B=0mT, Ic=0.1mA | 650 | 750 | 850 | Ω |
| 输出电阻 (ROUT) | B=0mT, Ic=0.1mA | 650 | 750 | 850 | Ω |
| 失调电压 (Vos) | B=0mT, Ic=5mA | -5 | - | +5 | mV |
| VH温度系数 (αVH) | B=50mT, Ic=5mA, Ta=25~125°C | - | - | 0.06 | %/°C |
| Rin温度系数 (αRin) | B=0mT, Ic=0.1mA, Ta=25~125°C | - | - | 0.3 | %/°C |
| 线性度 (ΔK) | B=0.1/0.5T, Ic=5mA | -1 | - | +1 | % |












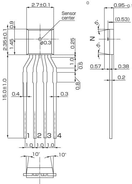
产品三视图




